主な特長
| ●45~1000MHzの動作周波数範囲 |
| ●最大ゲイン33dB |
| ●低ノイズ: 3.5 pA / √Hz 等価入力雑音電流 (EINC) |
| ● 直線性: チャネルあたり +78dBuV RF 出力で -68 dBc CSO および -70 dBc CTB (60 PAL-D チャネル DS22) |
| ●高いダイナミックゲインレンジ、32dBのゲインコントロールレンジ |
| ● 低消費電力、5V 電源電圧で 1 つの RF 出力で 210mA |
|
●0-3V AGC制御電圧 |
|
● -10dBm ~ +2dBm の光範囲の単一電源をサポート |
|
● 低消費電力、12V 電源電圧で 1 つの RF 出力で 110mA |
|
● 鉛フリー/RoHS準拠 QFN4X4-24Lパッケージ |
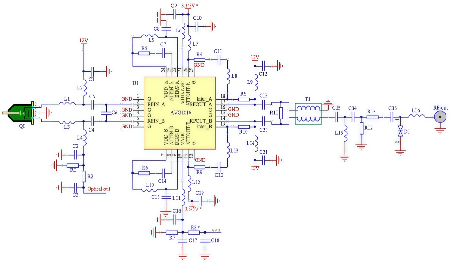
可変ゲインアンプ AVG1016
Sanland の AVG1016 は、可変ゲイン アンプです。 電圧制御アッテネータ。アンプの性能は高い 0.5um採用により直線性と低ノイズを実現 GaAs E-PHEMT プロセス。小型の 4.0 x に収納されています。 4.0 mm 24 ピン クアッド フラット ノンリード (QFN) パッケージ。それは 45MHz から最大 1000MHz まで最適に使用できるように設計されています。コンパクトな設置面積と薄型、高機能を兼ね備えた ゲインと高い直線性により、AVG1018 は理想的な選択肢となります CATVネットワークやFTTHネットワークのアンプとして。

| タイプ | 下流 |
| 最小周波数(GHz) | 0.05 |
| 最大周波数(GHz) | 1.0 |
| ゲイン(dB) | 32dB |
| CSO(dBc) | -68 |
| CTB(dBc) | -70 |
| NF(dB) | 1.5 |
| 電圧(V) | 12V |
| 電流(mA) | 110 |
| パッケージの種類 | QFN |
| RoHS | はい |
| 鉛フリー | はい |
| ハロゲンフリー | はい、もしくは、いいえ |
